
我们知道不同的存储引擎文件是不一样,我们可以查看数据文件目录:
show VARIABLES LIKE 'datadir';
每 张 InnoDB 的 表 有 两 个 文 件 ( .frm 和 .ibd ),MyISAM 的 表 有 三 个 文 件 (.frm、.MYD、.MYI)。【相关推荐:mysql视频教程】
有一个是相同的文件,.frm。 .frm是 MySQL 里面表结构定义的文件,不管你建表的时候选用任何一个存储引擎都会生成,我们就不看了。
我们主要看一下其他两个文件是怎么实现 MySQL 不同的存储引擎的索引的。
我们先来看下 MyISAM。
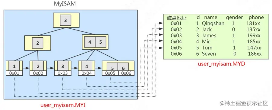
MyISAM
在 MyISAM 里面,另外有两个文件:
一个是.MYD文件,D 代表 Data,是 MyISAM 的数据文件,存放数据记录,比如我们的 user_myisam 表的所有的表数据。
一个是.MYI 文件,I 代表 Index,是 MyISAM 的索引文件,存放索引,比如我们在 id 字段上面创建了一个主键索引,那么主键索引就是在这个索引文件里面。
也就是说,在 MyISAM 里面,索引和数据是两个独立的文件。那我们怎么根据索引找到数据呢?
MyISAM 的 B+Tree 里面,叶子节点存储的是数据文件对应的磁盘地址。所以从索引文件.MYI 中找到键值后,会到数据文件.MYD 中获取相应的数据记录。

这里画的是主键索引,如果是辅助索引,有什么不一样呢?
在 MyISAM 里面,辅助索引也在这个.MYI 文件里面。 辅助索引跟主键索引存储和检索数据的方式是没有任何区别的,一样是在索引文件里面找到磁盘地址,然后到数据文件里面获取数据。

InnoDB
InnoDB 只有一个文件(.ibd 文件),那索引放在哪里呢?
在 InnoDB 里面,它是以主键为索引来组织数据的存储的,所以索引文件和数据文件是同一个文件,都在.ibd 文件里面。
在 InnoDB 的主键索引的叶子节点上,它直接存储了我们的数据。

什么叫做聚集索引(聚簇索引)?
就是索引键值的逻辑顺序跟表数据行的物理存储顺序是一致的。(比如字典的目录是按拼音排序的,内容也是按拼音排序的,按拼音排序的这种目录就叫聚集索引)。
在 InnoDB 里面,它组织数据的方式叫做叫做(聚集)索引组织表(clustered index organize table),所以主键索引是聚集索引,非主键都是非聚集索引。
主键之外的索引,比如我们在 name 字段上面建的普通索引,又是怎么存储和检索数据的呢?

InnoDB 中,主键索引和辅助索引是有一个主次之分的。
辅助索引存储的是辅助索引和主键值。如果使用辅助索引查询,会根据主键值在主键索引中查询,最终取得数据。
比如我们用 name 索引查询 name= '青山',它会在叶子节点找到主键值,也就是 id=1,然后再到主键索引的叶子节点拿到数据。
另一个问题,如果一张表没有主键怎么办?
1、如果我们定义了主键(PRIMARY KEY),那么 InnoDB 会选择主键作为聚集索引。
2、如果没有显式定义主键,则 InnoDB 会选择第一个不包含有 NULL 值的唯一索引作为主键索引。
3、如果也没有这样的唯一索引,则 InnoDB 会选择内置 6 字节长的 ROWID 作为隐藏的聚集索引,它会随着行记录的写入而主键递增。
select _rowid name from t2;
所以呢?不会存在没有主键的表。
小结
通过以上的分析,我们知道在 MyISAM 和 InnoDB 这两大存储引擎中,索引的具体落地形式是怎么样的。
更多编程相关知识,请访问:编程入门!!
以上就是浅析MySQL存储引擎中的索引的详细内容,转载自php中文网

发表评论 取消回复